当前位置:首页 > 收费标准

市检测中心检测项目及收费标准表(2017版)

时间:2017-01-01 12:00:00  来源:  作者:admin

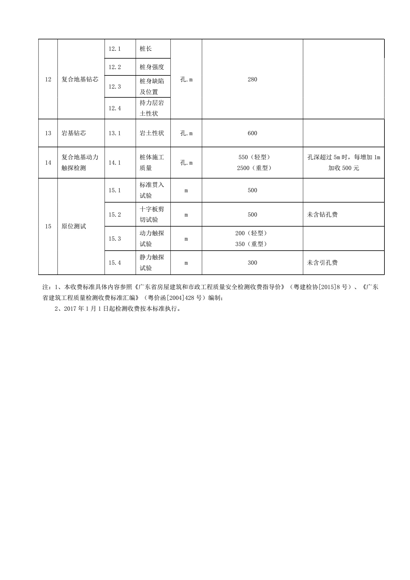
2017-1.jpg

2017-2.jpg

2017-3.jpg

2017-4.jpg

2017-5.jpg

2017-6.jpg

2017-7.jpg

2017-8.jpg

2017-9.jpg


浏览次数: